
- Cabezales de tapado: 2 piezas de accionamiento servo-moto
- Voltaje: 220 V, 50/60 Hz;
- Potencia: 3,0 Kw
- Presión del aire: 0,5–0,7 Mpa
- Amperio: 8,5 A
- Velocidad: 40-45/min (personalizada según formas y tamaños de frascos)
- Diámetro del producto adecuado: tapas de φ28-φ125 mm (personalizadas no estándar)
- Tasa de paso de la glándula: ≥99,5 % (dependiendo del error de la tapa y de la botella)
- Tamaño de la máquina: 3300 x 1150 x 1908 mm
- Peso: 450 kg
Antes de encender la máquina, lea atentamente este manual para conocer las normas de seguridad y el uso correcto de la máquina. Esto evitará accidentes personales y reducirá la frecuencia de daños en la máquina.
En el caso de productos corrosivos, tenga cuidado de evitar que los objetos corrosivos toquen o salpiquen la propia máquina y al personal.
- Evite utilizar la máquina en lugares expuestos a vibraciones o colisiones.
- Cuando la máquina está en funcionamiento, el cuerpo del personal no puede tocar las partes móviles.
- La máquina debe evitarse en lugares excesivamente húmedos y debe conectarse a la red eléctrica con el cable de tierra correctamente conectado para evitar accidentes.
- El operador debe mantener un estado físico y mental normal. Si toma alcohol, somníferos u otras drogas que sean perjudiciales para su estado mental, deje de operar la máquina.
- El operador debe usar ropa adecuada para evitar lesiones causadas por el contacto de la ropa con las partes rodantes y no debe colocar ningún elemento extraño sobre la máquina.
- Si se producen ruidos u otras anomalías durante el uso, deténgase inmediatamente y verifique. Técnicos no ingenieros, no transfieran piezas de la máquina arbitrariamente.
- Mantenimiento y cuidado regular (una vez por semana), evitando salpicaduras de agua o cualquier líquido sobre las cajas de control electrónico u otros componentes eléctricos al limpiar la máquina.
- Opere de acuerdo con los procedimientos operativos normales y mantenga la superficie de la máquina limpia y ordenada.
La máquina taponadora se aplica a todo tipo de cosméticos, medicamentos, medicamentos veterinarios, pesticidas, aceites lubricantes y otros campos industriales en el proceso de envasado.





Principio y características de la máquina tapadora de frascos:
- Control automático eléctrico, es estable;
- Con dispositivo de posicionamiento de tapado, cubierta bloqueada estándar, la operación es conveniente;
- La cubierta de la cerradura tiene una amplia gama, puede girar varias formas y especificaciones de tapa;
- La velocidad de tapado, la prisión de giro, al mismo tiempo también puede, según la necesidad, ajustar la tensión del rebobinado.


Parámetros básicos de la máquina tapadora de frascos de cosméticos:

1. Cabezales de tapado: 2 piezas de accionamiento servo-moto
2. Voltaje: 220 V, 50/60 Hz;
3. Potencia: 3,0 Kw
4. Presión de aire: 0,5--0,7 Mpa
5. Amperio: 8,5 A
6. Velocidad: 40-45/min (personalizada según formas y tamaños de frascos)
7. Diámetro adecuado del producto: tapas de φ28-φ125 mm (personalizadas no estándar)
8. Tasa de paso de la glándula: ≥99,5 % (dependiendo del error de la tapa y de la botella)
9. Tamaño de la máquina: 3300 x 1150 x 1908 mm
10. Peso: 450 kg
Descripción de la parte del host


Interruptor de encendido: controla el encendido y apagado de la fuente de alimentación.
Indicador de encendido: encendido—luz verde encendida, apagado—luz verde apagada.
Parada de emergencia: se utiliza para detener la máquina inmediatamente o para restablecer la función durante una emergencia o falla.
1. Arranque fotoeléctrico: La máquina está en funcionamiento, cuando el detector fotoeléctrico detecta que hay una botella y tiene tapa, el plato giratorio puede empezar a funcionar. Si no se detecta uno de los dos fotoeléctricos, el plato giratorio no gira.
2. Origen fotoeléctrico: Se utiliza para controlar el motor paso a paso para impulsar el posicionamiento del plato giratorio, de modo que la botella pueda insertarse en la tapa sin problemas.
3. Fotoelectricidad de la tapa: Verifique que la tapa esté en su lugar y detecte fotoeléctricamente que hay un plato giratorio de tapa para rotar.
4. Fotoelectricidad de la cubierta: Controlar el inicio y la parada de la máquina de cubierta superior, cuando la cubierta proporcionada por la máquina de cubierta superior se clasifica en la posición detectada por el fotoeléctrico, la fotoelectricidad siempre es brillante, la máquina de cubierta se detiene para la cubierta y se implementa la cubierta inteligente.
5. Fotoelectricidad de la tapa de la cerradura: Cuando pasa la botella con la tapa, se detecta la detección fotoeléctrica y se activa la tapa de bloqueo de acuerdo con el tiempo de retardo establecido (los parámetros específicos se ajustan de acuerdo con la velocidad de la cinta transportadora cuando se ajusta la máquina).
6. Sistema de tapa de cerradura: La botella con la tapa es la misma, el retardo de inicio fotoeléctrico, el retraso a la botella de abrazadera del cilindro, la tapa de bloqueo se baja, la cubierta de agarre - la tapa de rosca - la liberación de la pinza - la tapa de bloqueo se eleva - la botella de clip se afloja y el proceso de tapa de bloqueo se completa. En la cubierta de bloqueo, cuando la cubierta de bloqueo 1 # está en la cubierta de bloqueo, entra otra botella. En este momento, el cilindro de la botella de abrazadera 2 # se mueve y la cubierta de bloqueo 2 # se activa para bloquear la cubierta. (Cuando la tapa que ha sido bloqueada por el cabezal de bloqueo 2 # pasa por la botella de clip 1 #, no repita la cubierta de bloqueo.

Descripción de la interfaz hombre-máquina

Página de arranque
3.1 La página de inicio tiene opciones de operación en inglés y chino. Si elige el botón chino, ingresará a la siguiente interfaz:

Segunda interfaz
Detener: El interruptor de arranque de toda la máquina, toque esta tecla, la máquina funciona en modo automático, vuelva a tocar esta tecla, la máquina deja de funcionar.
Puerta de prueba: Pruebe el funcionamiento de la máquina.
Velocidad del plato giratorio: Cuanto mayor sea el parámetro de velocidad, más rápida será la velocidad, más lento será el parámetro de velocidad.(Pero hay un límite máximo.)。
Retardo del plato giratorio: Configuración del tiempo de inicio del plato giratorio, de acuerdo con el efecto de funcionamiento suave del plato giratorio a establecer.
Retardo de limitación: Después de que el plato giratorio llegue a la estación designada, retrase el tiempo de espera, la tapa de acción del cilindro.
Tiempo de tapado: El tiempo necesario para sellar el cilindro.
Producción: Complete el registro del número de tapas de cerraduras, conteo de producción conveniente. Presione la tecla de reinicio para borrar.
X1.X3.X14: Compruebe si el fotoeléctrico está en el estado de trabajo de la reflexión, es fácil ver el estado de funcionamiento de la máquina.
Parámetro de limitación: Presione esta tecla e ingresará a la siguiente interfaz:

La interfaz es una página de parámetros que se debe configurar para cada acción del cabezal de bloqueo n.° 1 en el sistema de cubierta de bloqueo servo; la configuración razonable de los parámetros es beneficiosa para la estabilidad de la máquina y la mejora de la eficiencia.
Devolver: Pulse este botón para volver a la segunda interfaz.
E/S: Presione este botón para ingresar a la siguiente interfaz:

Puntos de la serie X: Es el punto de entrada para detectar si el fotoeléctrico está en estado de funcionamiento, fácil de ver el funcionamiento de la máquina, fácil mantenimiento.
Puntos de la serie Y: Es el punto de salida de los componentes ejecutivos del estado normal de retroalimentación, también puede presionar manualmente la tecla de control para probar si los componentes de ejecución son normales.
Sistema de alimentación de tapas: Puede ser estable y ordenado según la dirección prescrita para cubrir.
Ajuste de inclinación: Se puede ajustar un ángulo razonable para controlar que la tapa inversa no se suba al tobogán.
Regulación del convertidor de frecuencia: controlar la velocidad de la cubierta.


Mantenimiento de equipos para tapar frascos:
1. Mantenga la máquina apagada y sin gas para garantizar la seguridad. Mantenga la máquina limpia y ordenada, sin objetos diversos, artículos pequeños, accesorios, pernos, etc. sobre la máquina.
2. Y el aceite lubricante se agrega regularmente al mecanismo de la parte móvil para garantizar un buen estado de funcionamiento del mecanismo.
3. Libere agua de la unidad de filtro de aire periódicamente y agregue aceite lubricante para garantizar el uso adecuado del cilindro y prolongar la vida útil.
4. Revise y repare la máquina periódicamente. Evalúe el estado de funcionamiento del equipo a simple vista y oído para asegurarse de que la máquina funciona bien.
Nota: Por favor, utilice y mantenga en estricta conformidad con las instrucciones. Durante el período de garantía, está estrictamente prohibido abrir y desmontar, de lo contrario, los daños causados por esto serán considerados daños humanos y no se realizarán reparaciones gratuitas. Estas instrucciones están sujetas a cambios sin previo aviso; si aún tiene alguna duda sobre el funcionamiento de esta máquina, llámenos en cualquier momento para realizar consultas.
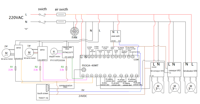
Esquema eléctrico adjunto:

Muestras de tapas selladas terminadas de la máquina tapadora de frascos:





Marcas: Para los frascos negros cuadrados, debido a que las tapas son susceptibles a rayarse, se diseñó un sistema de recolección para sacar las tapas de los frascos de las bandejas y colocarlas en la estación de preparación para el proceso de tapado y cierre. El principio de funcionamiento detallado se ilustra a continuación: Proceso de trabajo:
1. Colocación manual de las tapas en la bandeja (15*15 o 10*10)

2. Colocación de las bandejas en la estación de recogida preparada
3. Robots recogiendo los frascos

4. Posicionamiento de las botellas y finalización del proceso de tapado
5. Salida de frascos tapados











