
- Velocidad de tapado: 15-30 piezas/min
- Voltaje nominal: 110V/60Hz (estándar de EE. UU.)
- Potencia de la máquina: 0,8KW
- Amperio: 2,2 A
- Dimensiones exteriores: 2230 x 1460 x 1600 mm (largo x ancho x alto).
- Presión de aire: 0,7 MPa
- Peso: Aproximadamente 300 KG
Notificación previa al inicio de la máquina tapadora de botellas
1: Antes de enchufar la máquina, asegúrese de que el interruptor de encendido esté cerrado y luego siga las instrucciones.
2: Si la máquina no funciona durante un tiempo prolongado, se debe limpiar con un paño seco y no se debe limpiar con ningún agente de limpieza corrosivo.
3: Está estrictamente prohibido arrojar cualquier líquido en la caja eléctrica de la máquina, para evitar la corrosión de los componentes eléctricos internos y provocar un cortocircuito.
4: Verificar de acuerdo a la lista de empaque del equipo los modelos, especificaciones y cantidad del equipo y materiales para asegurarse que cumplan con los requisitos de diseño y estándares del producto y estén acompañados de los certificados de conformidad.
5: Verifique la apariencia del equipo para asegurarse de que esté libre de deformaciones, daños y corrosión, y que todos los husillos deben girar de manera flexible sin ningún bloqueo.
6: Esta máquina funciona con corriente alterna monofásica de 110 V y el enchufe de alimentación plano de 3 patas debe enchufarse a la toma de corriente con un cable de tierra.
Parámetros técnicos

- Velocidad de tapado: 15-30 piezas/min
- Voltaje nominal: 110V/60Hz (estándar de EE. UU.)
- Potencia de la máquina: 0,8KW
- Amperio: 2,2 A
- Dimensiones exteriores: 2230 x 1460 x 1600 mm (largo x ancho x alto).
- Presión de aire: 0,7 MPa
- Peso: Aproximadamente 300 KG
Máquina tapadora en detalle:



Estructuras de la máquina

Descripción del ojo eléctrico de fibra óptica
Ojo eléctrico para detectar botellas:

Cuando funciona en modo automático, el propósito de este ojo eléctrico es detectar las botellas entrantes.
Cuando se detecta la llegada de la botella, el "plato giratorio" gira.
Ojo eléctrico con liberación de párpados

Cuando funciona en modo automático, el propósito de este ojo eléctrico es detectar las tapas entrantes.
Cuando se detecta la entrada de la tapa, el "mecanismo de extracción" se eleva para tomar el material.
Ojo eléctrico con liberación de párpados

Cuando funciona en modo automático: El propósito de este ojo eléctrico es detectar las botellas entrantes.
Cuando se detecta la entrada de una botella, el "mecanismo de tapa de bloqueo" gira la tapa de bloqueo hacia abajo.
Botón de interruptor y puerto de cableado
Pantalla táctil y parada de emergencia

Controlador de motor de alimentación y placa vibratoria de tapa

Controlador de plataforma vibratoria

Controlador de placa vibratoria: ajustando el voltaje, ajusta la velocidad de descarga.
Interruptor de encendido y tomas de corriente

Controlador de motor

Transformador de frecuencia: ajustando el botón del transformador de frecuencia, ajuste la velocidad del motor.
Método de alarma y solución de problemas:
1. Se ha pulsado el botón de parada de emergencia. Pulse los botones de parada de emergencia en la tapa de la máquina y junto a la pantalla táctil.
2. La salida alcanza el valor establecido. Establezca la salida y presione el botón de borrado para borrar la salida actual.
3. Si no se detectan las tapas durante un largo período de tiempo, verifique. Verifique que la fibra de inducción de la tapa de la botella esté bien colocada. Verifique si las tapas están en su lugar o no.
4. Si no se detectan botellas durante un largo período de tiempo, verifique que estén en su lugar.
Ajuste eléctrico del ojo:
Estructura del amplificador

Diagrama para fibra óptica:

1. Barra de bloqueo de fibra óptica
2. Indicador de estado de funcionamiento
3. Establecer
4. Luz indicadora DSC
5. Monitor digital
6. Botón manual
7. Cobertura de protección extendida
8. Conector de expansión
9. Interruptor selector de potencia
10. Botón de modo
11. Selector de salida
12. Cables
13. Protector contra el polvo
14. Establecer valor (en verde)
15. Valor actual (en rojo)
Proceso de trabajo para la configuración de fibra óptica
- Cuando el ojo eléctrico cae en el espacio, el valor de la corriente roja es 144.
- Cuando el ojo eléctrico cae sobre la etiqueta, el valor de corriente roja es 4.
- Ajuste el valor establecido", aproximadamente la mitad del valor que el ojo eléctrico tiene en el papel del cuerpo (en el espacio entre los objetos a detectar) y el valor que el ojo eléctrico tiene en el papel, el valor establecido es (144 4)/2=74, ajuste el botón manual para ajustar el valor establecido a 74.
- Mueva el espacio de la etiqueta hacia adelante y hacia atrás en la ubicación del ojo eléctrico y la “luz de señal/luz indicadora” roja.
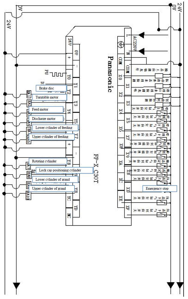
Diagrama de circuito



Mantenimiento de la máquina tapadora de botellas

1. Es necesario revisar y mantener la máquina para alargarla y optimizar su funcionamiento;
- La máquina en funcionamiento deberá recibir mantenimiento cada tres meses;
- La parte de transmisión del cojinete y del engranaje deben estar lubricados con grasa;
- La lubricación debe realizarse periódicamente;
- El aceite para guías deslizantes (N68) se debe agregar a las piezas que mueven o elevan el mecanismo alternativo dos veces al día;
- Se debe agregar aceite para automóviles (N68) a las piezas giratorias o oscilantes;
- Cada medio mes agregue la grasa en la ranura de la leva;
- Cada mes, una vez al mes, llene la boquilla de aceite agregando grasa;
2. Nunca utilice herramientas metálicas para golpear o raspar la superficie donde la unión está aglomerada en las piezas como componentes o moldes.
3. Si la máquina deja de funcionar durante un tiempo prolongado, agregue grasa para lubricar las piezas como la transmisión o la parte del cojinete. Trate también la máquina con protección a prueba de agua.
4. Nunca coloque ningún objeto sobre la máquina para no dañarla.
5. Limpie periódicamente el polvo dentro de los componentes, también revise todos los tornillos y arregle cualquier tornillo que esté flojo.
6. Verifique los tornillos en los terminales para el cableado en un momento determinado y asegúrese de que el tornillo esté fijado;
7. Verifique si hay alguna estación suelta en la ruta del cableado estirado desde las cajas eléctricas; si la pieza está demasiado floja, vuelva a fijar el tornillo para evitar la abrasión o daño en la capa de aislamiento que puede causar una fuga eléctrica.
8. Revise las almohadillas que se desgastan fácilmente y cambie las que están dañadas a tiempo;









