
- Lavadora de botellas de vidrio VK-BR
- Máquina llenadora de aceite VK-PF de 4 cabezales
- Máquina tapadora al vacío VK-VC
- Etiquetadora de botellas redondas VK-RPL
La línea de llenado completamente automática se puede personalizar según los requisitos del cliente y las muestras ofrecidas por el comprador. A continuación se detalla la información básica de esta línea de llenado completamente automática para la industria alimentaria:
Máquina de lavado por aire para botellas de vidrio Equipo de lavado al vacío
Es una lavadora automática de botellas por aire. La capacidad depende de las boquillas de lavado por aire.
El compresor de aire transporta el aire dentro del contenedor de vacío, el gas a través de la válvula solenoide y el generador de iones se purifica, el champú de gas traqueal sopla gas en botellas a través de la boca de lavado de gas, sopla el exterior de la boca de lavado de gas por la presión del gas, devuelve el gas residual agotado traqueal al exterior a través del control de emisiones.

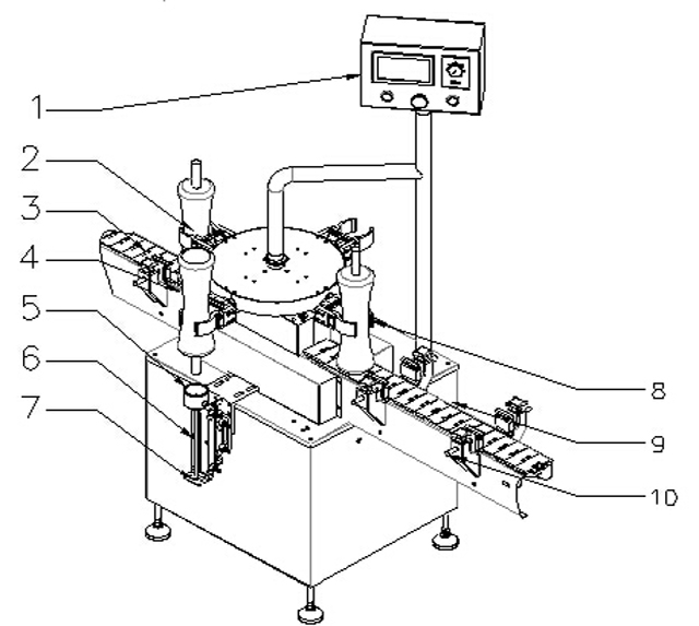
| 1 | Panel de control | 2 | Botellas |
| 3 | Cinturón para biberones | 4 | Sensor para alimentación con biberón |
| 5 | Estructura de fijación de botellas | 6 | Inyección de enjuague |
| 7 | Tobera electrostática | 8 | Punto de fijación de botellas |
| 9 | Cinta para salida de botellas | 10 | Barra guía |
Parámetros básicos de la lavadora de aire rotativa automática para botellas de vidrio:

Modelo: VK-BR
Adecuado para embotellar: 20-1000 ml.
Capacidad de producción: 8 boquillas de limpieza: 3600~4800bph
Rango de presión de aire: 6~8 kg/cm2
Consumo de aire: 25m3/h
Alimentación: 220 V 50/60 Hz
Consumo de energía: 0,75 Kw
Ruido de una sola máquina: ≤70dB
Aire purificado: 0,2 μm
Tiempo de limpieza: 3~5 s
Peso neto: 350 kg
Dimensiones totales: 1200 x 800 x 1600 mm
Máquina de llenado de aceite de 4 cabezales, llenadora lineal

La máquina llenadora de aceitunas de 4 cabezales, controlada por microcomputadora, combina la fotoelectricidad con el funcionamiento neumático, por lo que se aplica ampliamente para el llenado de líquidos de productos químicos agrícolas, soluciones, detergentes líquidos, cosméticos y aceitunas.
El volumen de llenado es preciso, sin espuma y estable. La máquina puede llenar el líquido en un rango de 25 a 1000 ml, mientras que no hay requisitos especiales en cuanto a las formas de las botellas. Es decir, puede llenar el líquido tanto para botellas normales como para botellas con forma de rúcula.

Modelo: VK-PF
Rango de llenado: 50~3000ml
Velocidad de llenado: <20-30b/m(para 500-1000ml de líquido)
Precisión: ±1%
Potencia/potencia de suministro: 0,8 kW, 220 V
Presión de trabajo: 5~6 kg/cm3
Consumo de aire: 0,5-0,7 mpa
NO: 500 kg
Dimensión exterior: 2000×800×1900mm
Marca: Las boquillas de llenado se pueden diseñar y fabricar según los requisitos de los clientes en cuanto al rango y la velocidad de llenado.
Máquina tapadora de vacío lineal Vk-Vc Equipo para tapar tarros:
Esta máquina tapadora lineal es una investigación y desarrollo de nuestra empresa con años de experiencia, es única en el país. Incorpora la colocación automática de tapas con tapado y tapado al vacío.
Se adoptó una bomba de vacío manual para lograr un alto vacío. Con las funciones de no tapar botellas y alarma cuando no hay tapas disponibles. Gozó de un alto nivel de automatización. Las principales piezas neumáticas y eléctricas son de marcas mundialmente famosas.
Con un rendimiento estable y confiable, se utiliza ampliamente para tapar al vacío frascos de vidrio con tapas de hierro en las industrias de alimentos enlatados, bebidas, condimentos, productos para el cuidado de la salud, etc.

Potencia: ≤2,3KW (incluida la bomba de vacío)
Capacidad de producción: 50-60BPM
Diámetro de la tapa: ¢30-¢55 mm ¢50-¢85 mm
Altura de la botella: 80-250 mm
Diámetro de la botella: 30-85 mm
Vacío máximo: -0,08 mpa
Torsión de tapado: 5-20 N.M
Consumo de aire: 0,6 M3/0,7 Mpa
Dimensiones de la máquina: aproximadamente 3000 × 1000 × 1900 mm
Peso: Aproximadamente 850 kg
Máquina etiquetadora de frascos y botellas redondas Vk-Rpl

Solicitud: Requiere superficie circunferencial de la membrana adherida a la etiqueta o producto.
Industria: Ampliamente utilizado en alimentos, medicina, cosméticos, cosméticos, electrónicos, metales, plásticos y otras industrias.
Solicitud: Etiquetado de botellas redondas de PET, etiquetado de botellas de plástico, alimentos enlatados, etc.

Longitud de etiqueta adecuada (mm): 20 mm ~ 314 mm
Ancho de etiqueta aplicable (ancho del papel de soporte/mm): 15 mm ~ 150 mm
Diámetro de los productos aplicables (para botellas redondas) y altura: diámetro: φ25 mm ~ φ100 mm
Altura: 25 mm ~ 230 mm
Diámetro del rollo estándar aplicable (mm): φ280 mm
Diámetro del rollo estándar aplicable (mm): φ76 mm
Precisión de etiquetado (mm): ± 1 mm
Velocidad estándar (m/min): Servo: 5 ~ 25 m/min Paso a paso: 5 ~ 19 m/min
Velocidad de etiquetado (piezas/min): Paso a paso: 30 ~ 80 piezas/min (con el tamaño de la botella y la etiqueta)
Servo: 40 ~ 120 piezas/min
Velocidad del transportador (m/min): 5 ~ 25 m/min
Peso (kg): Aproximadamente 185 kg
Frecuencia (HZ): 50HZ Voltaje (V): 220V
Potencia (W): 530W (motor paso a paso de tracción) 980W (motor servo de tracción)
Dimensiones del dispositivo (mm) (L × An × Al): 1950 mm × 1100 mm × 1300 mm


Embalaje en caja de madera:

Servicio posventa para línea de llenado

Garantizamos la calidad de las piezas principales en un plazo de 12 meses. Si las piezas principales fallan sin que haya factores artificiales en el plazo de un año, se las proporcionaremos o las mantendremos sin cargo. Después de un año, si necesita cambiar piezas, le ofreceremos el mejor precio o las mantendremos en su sitio. Siempre que tenga preguntas técnicas sobre su uso, haremos todo lo posible para ayudarlo.
Garantía de calidad:
El fabricante garantiza que los productos están fabricados con los mejores materiales del fabricante, con mano de obra de primera clase, son nuevos, no se han usado y corresponden en todos los aspectos con la calidad, las especificaciones y el rendimiento estipulados en este contrato. El período de garantía de calidad es de 12 meses a partir de la fecha de conocimiento de embarque.
El fabricante reparará gratuitamente las máquinas contratadas durante el periodo de garantía de calidad.
Si la avería puede deberse a un uso inadecuado u otras razones por parte del Comprador, el fabricante se hará cargo del coste de las piezas de reparación.
Instalación y depuración:
El vendedor enviaría a sus ingenieros para que impartieran instrucciones sobre la instalación y la depuración. Los costos correrían a cargo del comprador (pasajes de ida y vuelta, alojamiento en el país del comprador). El comprador debería proporcionar su asistencia in situ para la instalación y la depuración.









